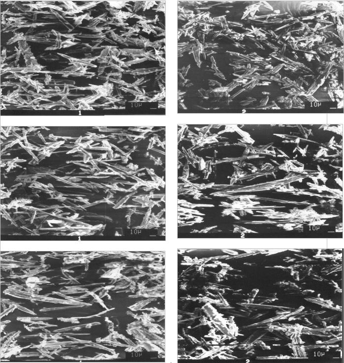
Crystals of mineral salts obtained through vaporisation of 14750ml of water of modified time of magnetic relaxation (in the magnetic field of RAM apparatus (RAM – Tubular Magnetic Apparatus)). Concentration of crystals in the form of loose sludge occurred on the bottom of a glass vessel containing 1250ml of water.
Crystals of mineral salts obtained through vaporisation of 14750ml of raw water; the crystals appeared on the wall and bottom of a glass vessel containing 1250ml of water in the compact form bound to the base.



Crystals of mineral salts obtained through vaporisation of 1000ml of water (of modified time of magnetic relaxation) from the level of 1250ml to that of 250ml. The water was a product of previously conducted vaporisation of 14750ml of raw water and contained dissolved salts which precipitated due to change of the water volume.
Crystals of mineral salts obtained through vaporisation of 1000ml of raw water from the level of 1250ml to that of 250ml. The water was a product of previously conducted vaporisation of 14750ml of raw water and contained dissolved salts which precipitated due to change of the water volume.

Deposit subject to action of water of modified time of magnetic relaxation.
Deposit formed in a water system.